8200 Onboard Load Cell for Logistics and Muck Trucks
Short Description:
The manufacturer designed the 8200 onboard weighing load cell for weighing vehicles and trucks. It works well for logistics vehicles, coal trucks, and muck trucks. It provides reliable weight measurement. This supports load control, prevents overload, and improves transport operations.
Features:
Real-time weighing, accurate reporting
Stainless steel welding and sealing process
Stable and reliable, protection level IP67
Customizable according to vehicle model
Applications:
Applicable to vehicle weighing
Trucks
Logistics vehicles
Coal trucks
Muck trucks
Description:
The 8200 vehicle-mounted weighing sensor has a flat-plate design. This design gives it a larger contact area. As a result, it improves measurement accuracy and stability. It can distribute the weight of the garbage truck in an even manner. This helps reduce local wear from heavy loads. It meets the needs for high accuracy, easy adjustments, stability, reliability, and durability. The flat-plate weighing sensor is an outstanding solution.
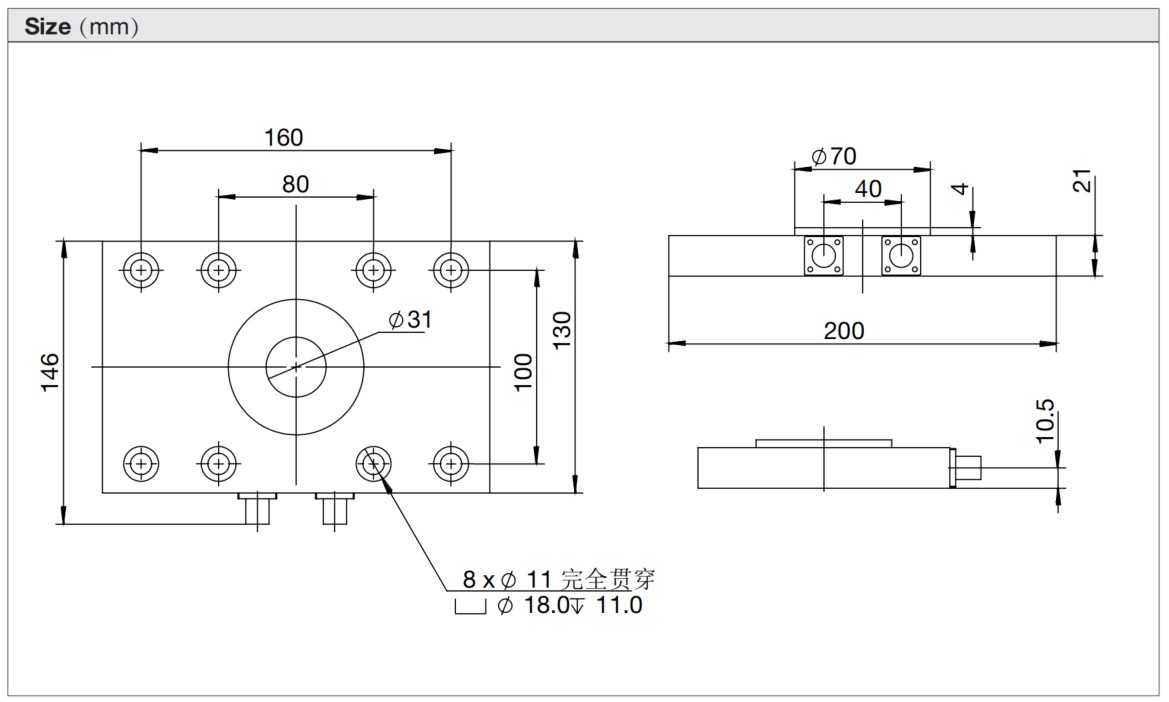
Dimensions:

Parameters:
| Specification | ||
| Rated load | 16 | T |
| Rated output | 2 | mV/V |
| Comprehensive error | ±0.5 | %FS. |
| Repeatability | ±0.3 | %FS. |
| Creep | ±0.1 | %FS. |
| Zero output | ±2 | %F.S. |
| Excitation voltage | 10 | VDC |
| Protection level | IP67 | |
| Insulation resistance | 3000(50VDC) | MΩ |
| Safe overload | 150 | %F.S. |
| Ultimate overload | 200 | %FS. |
| Temperature compensation range | -10~40 | ℃ |
| Cable specifications | 5 | m |
Product specifications are subject to change without notice.



