LC1776 Aluminum Alloy Single Point Load Cell for Large Platform Scales
Short Description:
The LC1776 aluminum alloy single-point load cell from Labirinth load cell manufacturer is designed for large platform scales. It features IP65 protection and offers a weighing capacity ranging from 750 kg to 2,000 kg.
Features:
1. Capacities (kg): 750-2000kg
2. High comprehensive precision, high stability
3. Compact structure, easy to install
4. Low profile
5. Anodized Aluminum Alloy
6. The four deviations has been adjusted
7. Recommended Platform size: 1200mm*1200mm
Applications:
1. Floor scales, large platform scale
2. Packaging machines, belt scales
3. Dosing machine, filling machine, batching scale
4. Industrial weighing system
Description:
LC1776 load cell is a high precision large range single point load cell, 750kg to 2t, made of high quality aluminum alloy, glue-sealing process, side-mounted, four-corner deviation has been adjusted to ensure measurement accuracy, surface anodized treatment, protection level It is IP66 and can be used in various complex environments. The recommended table size is 1200mm*1200mm, suitable for platform scales (single sensor), packaging machines, quantitative feeders, filling machines, belt scales, feeders and industrial weighing systems.
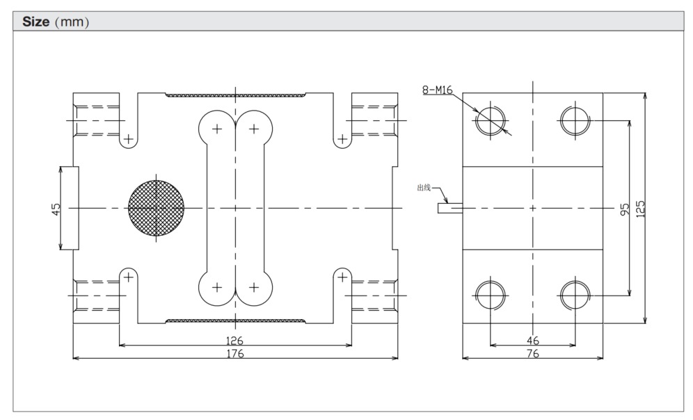
Dimensions:

Parameters:
| Specifications: | ||
| Rated Load | kg | 750,1000,2000 |
| Rated Output | mV/V | 2.0±0.2 |
| Zero Balance | %R.O. | ±1 |
| Comprehensive Error | %R.O. | ±0.02 |
| Non-linearity | %R.O. | ±0.02 |
| Hysteresis | %R.O. | ±0.02 |
| Repeatability | %R.O. | ±0.02 |
| Creep/30 minutes | %R.O. | ±0.02 |
| Compensated Temp. Range | ℃ | -10~+40 |
| Operating Temp. Range | ℃ | -20~+70 |
| Temp. effect/10℃ on output | %R.O./10 ℃ | ±0.02 |
| Temp. effect/10℃ on zero | %R.O./10 ℃ | ±0.02 |
| Recommended Excitation Voltage | VDC | 5-12 |
| Maximum Excitation Voltage | VDC | 15 |
| Input impedance | Ω | 410±10 |
| Output impedance | Ω | 350±5 |
| Insulation resistance | MΩ | ≥5000(50VDC) |
| Safe Overload | %R.C. | 150 |
| Ultimate Overload | %R.C. | 200 |
| Material | Aluminum | |
| Degree of protection | IP65 | |
| The length of the cable | m | 3 |
| Recommended Platform size | mm | 1200*2200 |
| Tightening Torque | N·m | 165 |
| Wiring code | Ex: | Red:+ Black:– |
| Sig: | Green:+ White:– | |


