LCD806 Miniature Stainless Steel Compression Force Sensor for Force Measurement
Short Description:
The LCD806 is a small stainless steel sensor. It measures compression force with precision. Made from stainless steel and rated IP68, it’s very durable. It stands up to tough conditions. It can weigh from 500 kg to 3000 kg (0.5 ton to 3 ton). This makes it ideal for many force measurement and control tasks.
Features:
- Capacities (kg):500 to 3000
- Compact structure, easy to install
- High comprehensive precision, high stability
- Measure the compression
- Delicate structure, low profile
- Stainless steel material
- High temperature resistance applications
Applications:
Suitable for force measurement and control
Description:
LCD806 is a pressure sensor with high temperature resistance, up to 150°C, range from 0.5t to 3t, low profile, compact structure, easy to install, high comprehensive accuracy, good long-term stability, stainless steel material, strong corrosion resistance, can Used in wet and corrosive environments, suitable for force measurement and control.
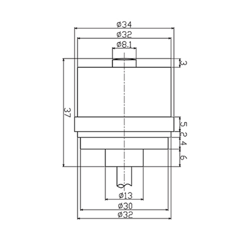
Dimensions:

Parameters:
| Specifications: | ||
| Rated Load | t | 0.5,1,2,3 |
| Rated Output | mV/V | 1 |
| Zero Balance | %R.O. | ±1 |
| Creep after 30 minutes | %R.O. | ±0.1 |
| Comprehensive Error | %R.O. | ±0.3 |
| Compensated Temp. Range | ℃ | -10~+40 |
| Operating Temp. Range | ℃ | -20~+70 |
| Temp. effect/10℃ on output | %R.O./10 ℃ | ±0.1 |
| Temp. effect/10℃ on zero | %R.O./10 ℃ | ±0.1 |
| Recommended Excitation Voltage | VDC | 5-12 |
| Input impedance | Ω | 350±5 |
| Output impedance | Ω | 350±3 |
| Insulation resistance | MΩ | ≥5000(50VDC) |
| Safe Overload | %R.C. | 150 |
| Ultimate Overload | %R.C. | 300 |
| Material | Stainless Steel | |
| Degree of protection | IP68 | |


