The LCD810 stainless steel static disk load cell from Labirinth load cell manufacturers is a low-profile force sensor made of stainless steel with IP66 protection. It offers a weighing capacity ranging from 0.1 kg to 2 kg.
Features:
1. Capacities (t): 0.1 to 2
2. Compact structure, easy to install
3. Compression and tension load cell
4. Low profile
5. Stainless steel material, Seal by welding
6. Protection grade IP66
Applications:
1. Testing machine
2. Suitable for force measurement and control
Product Description:
LCD810 is a dual-purpose weighing load cell for tension and compression. It belongs to the tensile type disc type load cell. The measuring range is from 100kg to 2t. It has a compact structure and is easy to install. It is made of stainless steel and durable. Strong corrosion resistance, can be used in humid and corrosive environments, screw-type design, convenient and quick installation and disassembly, can be used alone with a transmitter, or can be installed with a shackle for pull measurement, suitable for force measurement and control, Testing machine and other force measuring devices.
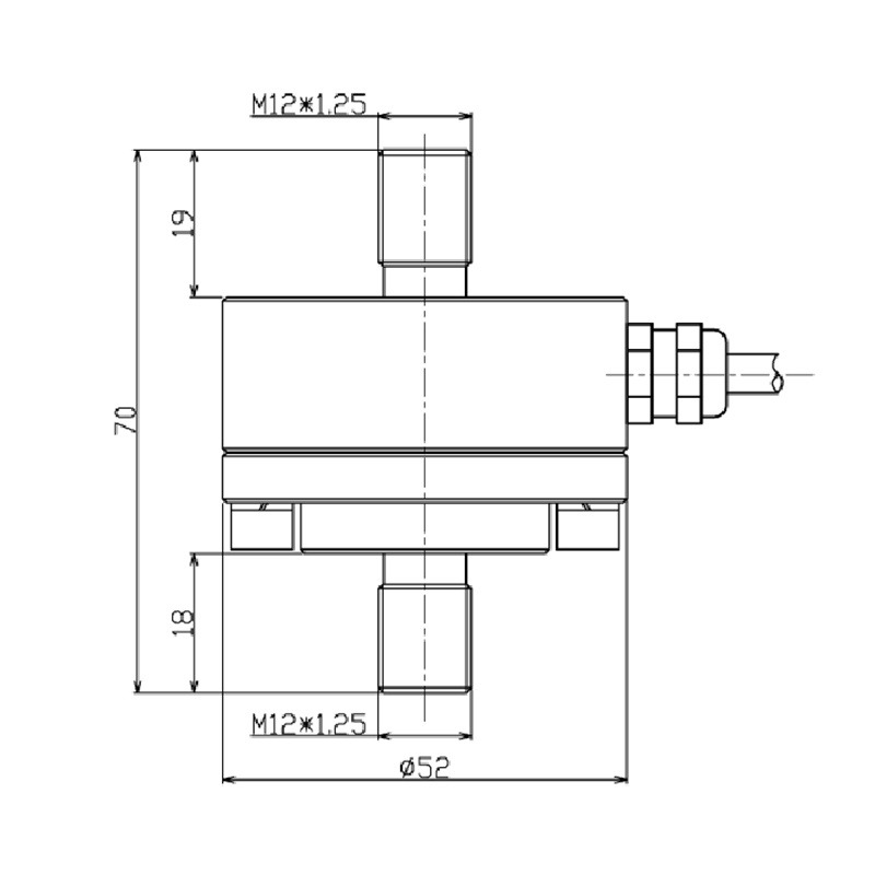
Dimensions:

Parameters:
| Specifications: | ||
| Rated Load | kg | 100,200,500 |
| t | 1,2 | |
| Rated Output | mV/V | 1.8~2.0 |
| Zero Balance | %R.O. | ±1 |
| Creep after 30 minutes | %R.O. | ±0.1 |
| Com prehensive Error | %R.O. | ±0.02 |
| Compensated Temp.Range | ℃ | -10~+40 |
| Operating Temp.Range | ℃ | -20~+70 |
| Temp.effect/10℃ on output | %R.O./10 ℃ | ±0.05 |
| Temp.effect/10℃ on zero | %R.O./10 ℃ | ±0.05 |
| Recommended Excitation Voltage | VDC | 5月12日 |
| Input impedance | Ω | 770±10 |
| Output impedance | Ω | 700±5 |
| Insulation resistance | MΩ | =5000(50VDC) |
| Safe Overload | %R.C. | 150 |
| Ultimate Overload | %R.C. | 300 |
| Material | Stainless Steel | |
| Degree of protection | IP66 | |
| Wiring code | Ex: | Red:+Black:- |
| Sig: | Green:+White:- | |
| Shield: | Bare | |


