RL Online Cable Tension Sensor for Real-Time Measurement
Short Description:
This aluminum cable tension sensor monitors cables and anchor cables online. It has IP65 protection and measures from 3 to 5 tons. This ensures reliable and accurate tension measurement for industrial use.
Features:
- Capacities (t): 5 to 30
- Resistance strain measurement methods
- High comprehensive precision, high stability
- Degree of protection reaches to IP65
- Removable, compact structure, easy to install and maintenance
- The range of tension can reach to 500ton, the diameter of rope can reach to 115mm
Applications:
- Online tension detection
- On-line tension measurement of cables, anchor cables, cables and other products
Description:
The RL tension detector adopts a three-wheel structure with a solid and compact design. The measuring range ranges from 5t to 30t. It can perform online tension detection on cables, anchor cables, cables, etc., with good measurement repeatability, high precision, and wide application range. It is easy to install and can measure the dynamic and static tension online in real time without affecting the normal cable running. It is easy to install and operate through the removable center wheel. The maximum tension measurement range of RL series products can reach 500 tons, and the diameter of the thread can reach 115mm.
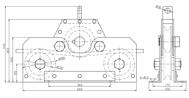
Dimensions:

Parameters:
| Specifications: | ||
| Rated Load | t | 5,10,20,30 |
| Rated Output | mV/V | 1.2-1.5mV/V |
| Zero Balance | %R.O. | ≤±2 |
| Comprehensive Error | %R.O. | <±3 |
| Non-linearity | %R.O. | <±0.5 |
| Hysteresis | %R.O. | <±0.5 |
| Repeatability | %R.O. | <±0.5 |
| Compensated Temp. Range | ℃ | -10~+40 |
| Operating Temp. Range | ℃ | -20~+70 |
| Temp. effect/10℃ on output | %R.O./10 ℃ | ±0.1 |
| Temp. effect/10℃ on zero | %R.O./10 ℃ | ±0.1 |
| Recommended Excitation Voltage | VDC | 5-12 |
| Maximum Excitation Voltage | VDC | 15 |
| Input impedance | Ω | 770±10 |
| Output impedance | Ω | 700±5 |
| Insulation resistance | MΩ | ≥5000(50VDC) |
| Safe Overload | %R.C. | 150 |
| Ultimate Overload | %R.C. | 300 |
| Material | Alloy Steel | |
| Degree of protection | IP65 | |
| The length of the cable | m | 10m |
| Wiring code | Ex: | Red:+ Black:– |
| Sig: | Green:+ White:– | |
| Shield: | Bare | |


