STC S Type Load Cell For Crane Scales
Short Description:
The STC S Type Load Cell for Crane Scales is a tension and compression sensor made of alloy steel with IP66 protection. It supports capacities from 5 kg to 10 ton and is widely used in crane weighing, hoists, and lifting systems for reliable and accurate load measurement.
Features:
1.Capacities (kg):5kg~10t
2.High-quality alloy steel, nickel-plated surface
3.Stainless steel material optional
4.Protection class: IP66
5.Two-way force measurement, both tension and compression
6.Compact structure, easy installation
7.High comprehensive precision and good long-term stability
Applications:
- Mechatronic scales
- Doser feeder
- Hopper scales, tank scales
- Belt scales, packing scales
- Hook scales, forklift scales, crane scales
- Filling machine, ingredient weighing control
- General material testing machine
- Force monitoring and measurement
Description:
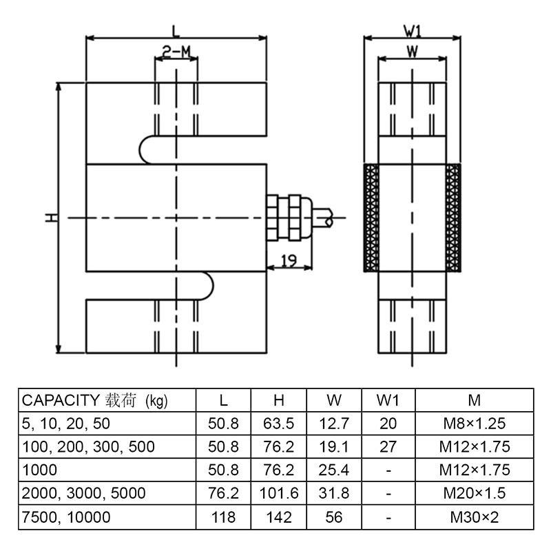
The S-type load cell is named S-type load cell because of its special shape, and it is a dual-purpose load cell for tension and compression. STC is made of 40CrNiMoA alloy steel, and the band A indicates that it is a high-grade high-quality steel. Compared with 40CrNiMo, the impurity content of this material is lower, and it has good processability, small processing deformation, and good fatigue resistance. This model is available from 5kg to 10t, with a wide range of measuring range, compact structure, and easy installation and disassembly.
Dimensions:

Parameters:
| Specifications: | ||
| Rated Load | kg | 10,20,50,80,100,200,300,500 |
| Rated Output | mV/V | 2.0±0.0050 |
| Zero Balance | %R.O. | ±1 |
| Creep after 30 minutes | %R.O. | ±0.03 |
| Comprehensive Error | %R.O. | ±0.03 |
| Compensated Temp. Range | ℃ | -10~+40 |
| Operating Temp. Range | ℃ | -20~+70 |
| Temp. effect/10℃ on output | %R.O./10 ℃ | ±0.03 |
| Temp. effect/10℃ on zero | %R.O./10 ℃ | ±0.03 |
| Recommended Excitation Voltage | VDC | 5-12 |
| Input impedance | Ω | 380±10 |
| Output impedance | Ω | 350±5 |
| Insulation resistance | MΩ | ≥5000(50VDC) |
| Safe Overload | %R.C. | 150 |
| Ultimate Overload | %R.C. | 200 |
| Material | Aluminum | |
| Degree of protection | IP65 | |
| The length of the cable | m | 3 |
| Wiring code | Ex: | Red:+ Black:– |
| Sig: | Green:+ White:– | |


